-
-
-
Tổng tiền thanh toán:
-
Mã sản phẩm: 1806006
Thương hiệu: Nhập khẩu Loại: Arduino – Module – Cảm biến
Khối lượng: 150
Voice Recognition Module là một module nhỏ gọn và dễ dàng sử dụng. Sản phẩm này là một môđun nhận dạng giọng nói bằng micro.
Nó lưu được tới 15 lệnh thoại, có khả năng nhận dạng khẩu lệnh, phù hợp với hầu hết các tình huống liên quan đến điều khiển bằng giọng nói.
Thông số
Điện áp: 4.5-5.5V
Dòng sử dụng: <40mA
Giao diện kỹ thuật số: 5V TTL cấp UART giao diện
Đầu vào âm thanh: Giắc phone 3.5mm
Kích thước: 30mm x 47.5mm
Module này có thể lưu trữ 15 lệnh thoại. 15 người được chia thành 3 nhóm 5 người. Trước tiên, chúng ta nên thiết lập một nhóm các hướng dẫn ghi âm giọng nói. Sau đó, một nhóm lệnh được nhập thông qua một lệnh nối tiếp trước khi nó có thể xác định 5 lệnh thoại trong nhóm. Nếu chúng ta cần phải thực hiện các lệnh từ các nhóm khác, trước tiên chúng ta phải nhập tập lệnh được yêu cầu. Mô-đun này có một loa riêng biệt. Nếu bạn của bạn nhập hướng dẫn bằng giọng nói thay vì hướng dẫn bằng giọng nói của bạn, nó có thể không nhận ra các hướng dẫn.
Video hướng dẫn https://www.youtube.com/watch?v=Ur1tzMDP97g
Ví dụ 1
Ở đây, tôi đưa ra một ví dụ về cách sử dụng ngôn ngữ để điều khiển đèn Led phát sáng màu đỏ, xanh lục và xanh dương.
1. Ghi âm
Chúng ta cần gửi một lệnh nối tiếp đến mô-đun này. Bạn có thể cần một mô-đun USB-TTL để kết nối nó với PC của bạn. Sau đó gửi lệnh 0xaa11 để ghi.
Kết nối theo thứ tự sau:
TRẮNG
ĐỎ
XANH
BLUE
TẮT
2. Kết nối phần cứng

Hình trên là sơ đồ kết nối của phiên bản V1 của sản phẩm. Đối với phiên bản V2, kết nối cũng giống nhau.
3. Mã
int redPin = 11; // R petal on RGB LED module connected to digital pin 11
int greenPin = 9; // G petal on RGB LED module connected to digital pin 9
int bluePin = 10; // B petal on RGB LED module connected to digital pin 10
byte com = 0; //reply from voice recognition
void setup()
{
Serial.begin(9600);
pinMode(ledPin, OUTPUT); // sets the ledPin to be an output
pinMode(redPin, OUTPUT); // sets the redPin to be an output
pinMode(greenPin, OUTPUT); // sets the greenPin to be an output
pinMode(bluePin, OUTPUT); // sets the bluePin to be an output
delay(2000);
Serial.write(0xAA);
Serial.write(0x37);
delay(1000);
Serial.write(0xAA);
Serial.write(0x21);
}
void loop() // run over and over again
{
while(Serial.available())
{
com = Serial.read();
switch(com)
{
case 0x11:
color(255,255,255); // turn RGB LED on -- white
break;
case 0x12:
color(255, 0, 0); // turn the RGB LED red
break;
case 0x13:
color(0,255, 0); // turn the RGB LED green
break;
case 0x14:
color(0, 0, 255); // turn the RGB LED blue
break;
case 0x15:
color(0,0,0); // turn the RGB LED off
break;
}
}
}
void color (unsigned char red, unsigned char green, unsigned char blue) // the color generating function
{
analogWrite(redPin, red*102/255);
analogWrite(bluePin, blue*173/255);
analogWrite(greenPin, green*173/255);
}
Chú ý: Tải mã trên vào Arduino. Vui lòng ngắt kết nối TX và RX khi tải mã, nếu không nó có thể làm hỏng cổng nối tiếp.
4. Video
Sau khi mã được kết nối RX và TX và nhấn phím Arduino RESET.
Ví dụ 2
Ở đây chúng tôi sẽ chỉ cho bạn cách sử dụng đầu ra GPIO để điều khiển các thiết bị khác.
Bước 1
Lệnh thoại đầu tiên bạn muốn ghi. Gửi lệnh 0xAA12 (Nhóm 2).
Vui lòng ghi lại 5 loại lệnh thoại sau, theo thứ tự đã cho:
"Một"
"Hai"
"Ba"
"Bốn"
"Năm"
Hãy chắc chắn phát âm rõ ràng.
Bước 2
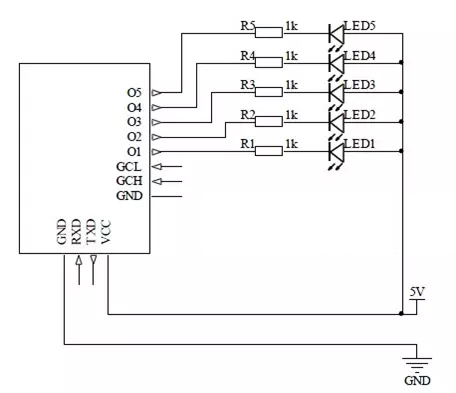
Kết nối thiết bị di động với đèn LED theo các cách sau:

Bước 3
Sử dụng lệnh 20xAA2 để nhập khẩu bộ lệnh thoại thứ hai hoặc đặt mã pin GCH cao và đặt chân GCL ở mức thấp.
Nói hướng dẫn bằng giọng nói.
Bây giờ bạn có thể điều khiển đèn LED bằng giọng nói.
Không có hạn chế về ngôn ngữ, miễn là âm thanh giống với đầu vào
Sau khi kết nối bật nguồn thành công, hãy gửi AA00 để chờ
Gửi AA11, bắt đầu ghi âm, khi bắt đầu ghi âm, bạn cần phải hoàn thành một nhóm các bản ghi âm (5) sẽ không kết thúc, trong quá trình ghi âm không thể dừng lại
Liên hệ:
Website:https://giaiphapchung.vn
Đ/c: 18/655 Nguyễn Văn Linh-P.Vĩnh Niệm-Lê Chân-Hải Phòng
Email: giaiphapchung68@gmail.com
Hotline: 0936824969
Bước 1: Lựa chọn sản phẩm cần mua bấm Thêm vào giỏ hàng Bước 2: Sau khi chọn hết sản phẩm thì bấm biểu tượng Giỏ hàng để thanh toán Trong mục này bạn có thể thay đổi số lượng, chủng loại sản phẩm và chọn mua thêm sản phẩm khác. Bước 3: Lựa chọn Thanh toán Bạn vui lòng nhập thông tin: Email, Họ tên, Số điện thoại và các thông tin cần thiết khác. Để theo dõi được đơn hàng của mình bạn vào mục Đăng nhập hoặc Đăng ký tài khoản rất dễ dàng. Bước 4: Xem lại thông tin đặt hàng, điền chú thích và gửi đơn hàng Bước 5: Sau khi nhận được đơn hàng bạn liên hệ 0393451866 để chúng tôi gửi hàng sớm nhất. Bước 6: Web chúng tôi có công cụ Kiểm tra đơn hàng ngay bên trên tay phải. bạn nhập SĐT để kiểm tra tình trạng đơn hàng nhé Trân trọng cảm ơn.