-
-
-
Tổng tiền thanh toán:
-
Mã sản phẩm: 1701062
Thương hiệu: (Đang cập nhật ...) Loại: Modul mở rộng
Khối lượng: 50
1.Mô tả sản phẩm
Board mạch L293D Motor Drive Shield là một giải pháp hoàn hảo cho những dự án DIY, học tập hoặc ứng dụng thực tế. Sản phẩm này giúp cho việc điều khiển động cơ trở nên đơn giản hơn bao giờ hết, đồng thời giúp tiết kiệm thời gian và công sức cho người sử dụng.
Trong bài viết này, chúng ta sẽ tìm hiểu thêm về các thông số kỹ thuật cũng như tính năng của board mạch L293D Motor Drive Shield.
2.Thông số kĩ thuật
![]()
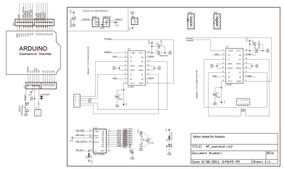
Motor Driver Shield L293D tương thích tốt với board Arduino Uno R3, Arduino Leonado, Arduino Mega 2560.
Motor Driver Shield L293D sử dụng 2 IC cầu H L293D và 1 IC logic 74HC595 điều khiển. Do đó, shield này có thể điều khiển nhiều loại motor khác nhau với mức áp lên đến 36V, dòng tối đa 600mA mỗi kênh điều khiển.
Motor driver shield L293D có sẵn các điện trở nối GND nhằm tránh các motor tự quay lúc khởi động và nút RESET để khởi động lại board Arduino mà nó đang gắn vào.
Thông số:
3.Tính năng

Motor Shield L293D có giải điện áp khá rộng từ 4.5 – 25VDC. Module có 2 chế độ là cấp nguồn trực tiếp cho động cơ, hai là sử dụng nguồn của Arduino.
Trong trường hợp bạn muốn sử dụng nguồn trực tiếp của Arduino thì để nguyên Jumper (PWR) trên mạch. Trong trường hợp bạn muốn sử dụng nguồn riêng để cấp cho động cơ thì tháo Jumper này ra (lúc này Motor Shield L293D sẽ tách biệt nguồn với Arduino) và cấp nguồn vào domino EXT_PWR.
Các động cơ Servo được cấp nguồn 5V trực tiếp từ Arduino, đây được xem là một giải pháp tệ của người phát triển Shield này vì làm như vậy có thể khiến IC ổn áp trên bo mạch của Arduino bị nóng và cũng có thể gây ra hiện tượng nhiễu. Việc sử dụng thêm một tụ điện 100uF trên các chân nguồn này, giúp hạn chế một chút hiện tượng này.
Vì vậy, nếu bạn muốn sử dụng Servo trên board mạch này, thì mình khuyên nên sử dụng các Servo nhỏ như SG90.
Các chức năng khác
Đèn LED trên board mạch dùng để báo động cơ đang hoạt động bình thường. Đèn LED không sáng đồng nghĩa là động cơ không hoạt động.
Nút RESET dùng để khởi động lại chương trình trên Arduino.
Sáu chân Analog (A0 đến A5), và các chân 5V, GND được đặt ở bên góc, các bạn có thể sử dụng để đấu nối với các cảm biến.
Các chân điều khiển động cơ DC và động cơ bước, được sử dụng các chân D3, D4, D5, D6, D7, D8, D11 và D12.
Chân kết nối với 2 L293
PW-2B - chân D3
PW-2A - chân D11
PW-0A - chân D6
PW-0B - chân D5
Chân kết nối với 74HC595N
Dirser - chân D8
CLK - Chân D4
Dirlatch - Chân D12
DirEN - chân D7
D9 và D10 được sử dụng để điều khiển động cơ servo. D10 được kết nối với Servo 1, trong khi D9 được kết nối với Servo 2.
Liên hệ:
Bước 1: Lựa chọn sản phẩm cần mua bấm Thêm vào giỏ hàng Bước 2: Sau khi chọn hết sản phẩm thì bấm biểu tượng Giỏ hàng để thanh toán Trong mục này bạn có thể thay đổi số lượng, chủng loại sản phẩm và chọn mua thêm sản phẩm khác. Bước 3: Lựa chọn Thanh toán Bạn vui lòng nhập thông tin: Email, Họ tên, Số điện thoại và các thông tin cần thiết khác. Để theo dõi được đơn hàng của mình bạn vào mục Đăng nhập hoặc Đăng ký tài khoản rất dễ dàng. Bước 4: Xem lại thông tin đặt hàng, điền chú thích và gửi đơn hàng Bước 5: Sau khi nhận được đơn hàng bạn liên hệ 0393451866 để chúng tôi gửi hàng sớm nhất. Bước 6: Web chúng tôi có công cụ Kiểm tra đơn hàng ngay bên trên tay phải. bạn nhập SĐT để kiểm tra tình trạng đơn hàng nhé Trân trọng cảm ơn.