-
-
-
Tổng tiền thanh toán:
-
Mã sản phẩm: 1710368
Thương hiệu: Nội địa Loại: Sản phẩm sáng tạo
Khối lượng: 600
Ổ cắm điện điều khiển bằng Bluetooth
Các thiết bị điện trong gia đình đa số là có điều có điều khiển từ xa để có thể tiện lợi trong việc bật tắt hay điều chỉnh các thiết bị đó. Ví dụ như: Quạt, TV, điều hoà, tủ lạnh, ... Nhưng cũng còn nhiều các thiết bị khác không có điều khiển từ xa nên sẽ khiến cho một số người cảm thấy khó chiu trong việc phải đi đi, đi lại để có thể bật tắt hay điều chỉnh như ý muốn. Chính vì vậy, chúng tôi đã làm một sản phẩm mang tên" Ổ CẮM THÔNG MINH" nhằm giúp những người không muốn ra khỏi chỗ ngồi vẫn có thể điều chỉnh theo ý muốn bằng chính chiếc Smart phone dùng hệ điều hành Androi của mình.
Thông số
Điện áp sử dụng: 220V
Dòng điện tối đa: có 2 loại: 10A, 20A
Số ổ cắm điều khiển độc lập: 3 ổ
Dây ổ cắm: 3m
Chất lượng loại ổ cắm của Lioa
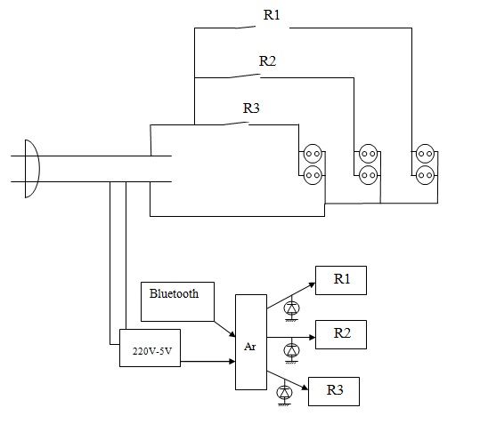
Sơ đồ nguyên lý

Hướng dẫn sử dụng:
Bước 1: Dùng điện thoại có hệ điều hành androi vào CH Play gõ từ khóa Arduino Bluetooth Led control có biểu tượng 3 nút xanh và 3 nút đỏ. Bạn chọn cài đặt và biểu tượng của chương trình trên điện thoại như hình dưới

Bước 9:Mở phần cài đặt của điện thoại để kết nối Bluetooth với thiết bị, nó hỏi pass thì gõ: 1234 vào



Bước 10: Sau khi kết nối xong bạn mở chương trình Arduino Led Control lên


Tiếp theo:

Tiếp theo: Nó chạy ra phần điều khiển này và đèn trên Bluetooth HC-06 sáng liên tục (không nhấp nháy nữa) là bạn có thể điều khiển được rồi.

Bảo hành: 3 tháng
Hỗ trợ sửa chữa sau bảo hành đến 3 năm.
Liên hệ:
Đ/c: 18/655 Nguyễn Văn Linh-P.Vĩnh Niệm-Lê Chân-Hải Phòng
Email: giaiphapchung68@gmail.com
Hotline: 0936824969
Bước 1: Lựa chọn sản phẩm cần mua bấm Thêm vào giỏ hàng Bước 2: Sau khi chọn hết sản phẩm thì bấm biểu tượng Giỏ hàng để thanh toán Trong mục này bạn có thể thay đổi số lượng, chủng loại sản phẩm và chọn mua thêm sản phẩm khác. Bước 3: Lựa chọn Thanh toán Bạn vui lòng nhập thông tin: Email, Họ tên, Số điện thoại và các thông tin cần thiết khác. Để theo dõi được đơn hàng của mình bạn vào mục Đăng nhập hoặc Đăng ký tài khoản rất dễ dàng. Bước 4: Xem lại thông tin đặt hàng, điền chú thích và gửi đơn hàng Bước 5: Sau khi nhận được đơn hàng bạn liên hệ 0393451866 để chúng tôi gửi hàng sớm nhất. Bước 6: Web chúng tôi có công cụ Kiểm tra đơn hàng ngay bên trên tay phải. bạn nhập SĐT để kiểm tra tình trạng đơn hàng nhé Trân trọng cảm ơn.