-
-
-
Tổng tiền thanh toán:
-
Cách điều khiển servo tự học lệnh và ghi trêm EEPROM
22/06/2019
Robot arm, robot nhện, robot múa.. hay các robot mini có sử dụng động cơ servo đều là những sản phẩm gây ấn tượng với những chuyển động đẹp mắt. Đúng như tiêu chí của ARDUINO, mình sẽ làm một dự án ROBOT tự học lệnh cực kì COOL.
Về robot tự học lệnh
Đây sẽ là một robot sử dụng động cơ servo như một phần chi tiết của nó.
Ta sẽ sử dụng chiết áp như một cảm biến góc.
Điều khiển servo ở hai chế độ:
- Bằng tay: Sử dụng cảm biến để điều khiển trực tiếp.
- Tự động: Dạy cho servo rồi để nó tự thực hiện lại động tác mà nó đã học.
Chuẩn bị
- Điều khiển: 1 arduino uno r3.
- 1 chiết áp (biến trở xoay) giá trị 10k ôm-> 200K ôm
- 1 servo bất kì
- 3 nút ấn.
- Còn lại là nguồn và đồ ráp mạch.
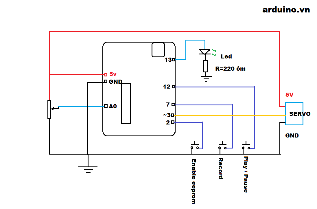
Mạch

Code test
- //tạo 1 đối tượng servo từ dưới lên trên
- #define servo_max 1
- // số step lớn nhất , nó sẽ tiêu tốn step_max*servo_max (byte) RAM
- // ví dụ cần 200*1=200 byte RAM
- #define step_max 200
- // nút ấn
- #define start_pause_pin 12
- #define record_pin 7
- #define ENABLE_EEPROM_PIN 2
- // đèn báo
- #define led_pin 13
- // tốc độ nhanh chậm
- #define delay_toc_do 5
- //cài pin vào analog
- byte pin_analog[servo_max] = { A0 };
- // cài đặt pin ra cho servo
- byte pin_servo[servo_max] = { 3 };
- // có 5 servo
- unsigned int A0_value;
- byte get_goc(byte servo_i)
- {
- // tính toán lấy giá trị góc của biến trở i
- switch (servo_i) {
- case 0:
- A0_value = constrain(analogRead(A0), 200, 823);
- return map(A0_value, 200, 823, 0, 180);
- break;
- default:
- break;
- }
- }
- // kích thước eeprom (số byte) trên arduino của bạn
- // trong ví dụ này mình dùng arduino uno r3 có 1024 bytes EEPROM
- const unsigned int SIZE_MEMORY_EEPROM = 1024;
Code nạp Arduino bên dưới
- #include <EEPROM.h>
- #include <Servo.h>
- Servo servo[servo_max];
- //pin button
- int step_move = 0;
- /* mảng lưu góc cho 5 servo, 90 là giá trị góc khởi tạo cho toàn bộ phần tử*/
- byte goc_servo[servo_max][step_max];
- // mảng 2 chiều quản lý (servo_max) servo
- byte goc_tam_thoi[servo_max] = { 90 };
- // lưu góc tạm thời tại thời điểm cần tính
- void setup()
- {
- pinMode(led_pin, OUTPUT);
- //2 pin button
- //Serial.begin(9600);
- pinMode(start_pause_pin, INPUT_PULLUP);
- pinMode(ENABLE_EEPROM_PIN, INPUT_PULLUP);
- pinMode(record_pin, INPUT_PULLUP);
- // cài chế độ 5 pin analog
- for (byte i = 0; i < servo_max; i++) {
- pinMode(pin_analog[i], INPUT);
- servo[i].attach(pin_servo[i]);
- }
- ADCSRA = ((ADCSRA & (B11111000)) | B00000100); // Cài tần số quét analog 1mhz
- learn_and_move(); // chạy hàm
- }
- void move_servo(byte i, byte goc_i)
- {
- servo[i].write(goc_i);
- }
- void nhap_nhay(unsigned int time_delay, byte count)
- {
- for (byte i = 0; i < count; i++) {
- digitalWrite(led_pin, HIGH);
- delay(time_delay);
- digitalWrite(led_pin, LOW);
- delay(time_delay * 2);
- }
- }
- void record(unsigned int step_x)
- {
- for (byte i = 0; i < servo_max; i++) {
- goc_servo[i][step_x] = get_goc(i);
- }
- nhap_nhay(100, 2);
- Serial.println(goc_servo[0][step_x]);
- }
- void move_all()
- {
- for (byte i = 0; i < servo_max; i++) {
- move_servo(i, goc_tam_thoi[i]);
- } // di chuyển
- }
- void control_servo()
- {
- byte hieu;
- for (byte i = 0; i < servo_max; i++) {
- hieu = abs(goc_tam_thoi[i] - get_goc(i));
- if ((hieu >= 1) && (hieu < 170)) { // chống nhiễu
- // bạn cũng không được di chuyển arm điều khiển quá nhanh
- goc_tam_thoi[i] = get_goc(i);
- }
- } // lấy góc
- move_all();
- }
- void nap_eeprom_sang_ram()
- {
- // nạp eeprom sang RAM
- step_move = EEPROM.read(SIZE_MEMORY_EEPROM - 1); // lấy lại step_move từ rom
- for (byte i = 0; i < servo_max; i++) {
- for (int step_j = 0; step_j < step_max; step_j++) {
- goc_servo[i][step_j] = EEPROM.read(step_j + i * step_max);
- //nạp dữ liệu từ rom sang ram
- }
- }
- }
- void luu_vao_eeprom()
- {
- // bước 1: lưu dữ liệu vào rom
- EEPROM.write(SIZE_MEMORY_EEPROM - 1, step_move); // ghi step_move vào rom
- delay(15); // đợi 15ms để hoàn thành ghi 1 ô nhớ
- nhap_nhay(500, 3);
- digitalWrite(led_pin, HIGH); // giữ nguyên đèn
- for (byte i = 0; i < servo_max; i++) {
- //Serial.print("luu");
- //Serial.println(i);
- for (int step_j = 0; step_j < step_move; step_j++) {
- EEPROM.write(step_j + i * step_max, goc_servo[i][step_j]);
- //nạp dữ liệu từ ram vào rom
- delay(15); // đợi 15ms để hoàn thành ghi 1 ô nhớ
- }
- }
- nhap_nhay(500, 3);
- digitalWrite(led_pin, LOW); // tắt đèn
- }
- void pause()
- {
- // chỉ được lưu dữ liệu vào eeprom khi đã có dữ liệu
- // nhấn pause trước, sau đó mới nhấn nút ENABLE_EEPROM_PIN để bắt đầu ghi vào eeprom
- //
- if (digitalRead(start_pause_pin) == 0) {
- while (true) {
- digitalWrite(led_pin, 1);
- delay(300); // chống nhiễu
- Serial.println("PAUSE");
- if (digitalRead(ENABLE_EEPROM_PIN) == 0) {
- // nhấn lưu eeprom
- delay(300);
- luu_vao_eeprom();
- }
- if (digitalRead(start_pause_pin) == 0) {
- Serial.println("START");
- digitalWrite(led_pin, 0);
- delay(300); // chống nhiễu
- goto out_pause;
- }
- } //while
- } //if
- out_pause:;
- // thoát lặp
- }
- void auto_move()
- {
- Serial.println(step_move);
- nhap_nhay(50, 3);
- float hieu_f[servo_max];
- unsigned int step = 0, step_next;
- byte time;
- byte thay_doi;
- while (true) {
- //lấy hiệu góc hiện tại và góc sau
- if (step < step_move) {
- step_next = step + 1; // không viết : step++
- }
- else {
- /*step = step_mov :thì step tiếp theo của step cuối cùng là step đầu tiên*/
- step_next = 0;
- }
- for (byte i = 0; i < servo_max; i++) {
- hieu_f[i] = (float(goc_servo[i][step]) - float(goc_servo[i][step_next]));
- }
- Serial.println(step);
- Serial.println(goc_servo[0][step]);
- Serial.println(goc_servo[0][step_next]);
- Serial.println(hieu_f[0]);
- //int denta;
- /*vận tốc sẽ tăng dần khi khởi đầu, đạt max, vận tốc giảm dần khi ở cuối quá trình,
- */
- for (float loading = 1.0; loading <= 100.0; loading++) {
- //denta=30+((sq(loading-150))/1000);
- // loading là phần trăm %, đánh giá kết thúc 1 động tác là 100%
- for (byte i = 0; i < servo_max; i++) {
- goc_tam_thoi[i] = byte(float(goc_servo[i][step]) - (((hieu_f[i]) * loading) / 100.0));
- }
- Serial.print(loading);
- Serial.print("‚");
- Serial.print(hieu_f[0]);
- Serial.print("‚");
- Serial.println(goc_tam_thoi[0]);
- // gia tốc từ chậm->nhanh->chậm
- if ((loading >= 0.0) && (loading < 20.0)) {
- time = delay_toc_do * 2 + 5;
- }
- else if (loading < 30.0) {
- time = delay_toc_do / 2 + 5;
- }
- else if (loading < 90.0) {
- time = delay_toc_do + 5;
- }
- else {
- time = delay_toc_do * 2 + 5;
- }
- // delay(delay_toc_do);
- while ((millis() % delay_toc_do) != 0) { // làm trễ
- /* cứ sau denta_ms, vòng lặp mới được thoát, */
- pause();
- } //while
- /*
- Đoạn code < delay(time) >sẽ tương đương với < while((millis()%time)!=0){;} >
- - Lý do mình mình không chọn delay :về bản chất Delay sẽ vô hiệu hóa hoàn toàn chương tình arduino ,
- arduino sẽ không thể làm gì cho đến khi hết Delay.
- Trong khi đó chúng ta muốn ấn nút PAUSE(tạm dừng robot) ngay lập tức Robot sẽ không dừng ngay vì bị Delay vô hiệu hóa.
- Đấy là lí do mình đã cho hàm pause() lồng vào bên trong khối while() như bạn đã thấy.
- */
- move_all();
- } // for_loading
- if (step < step_move) {
- step++; // tăng cho lần kế tiếp
- }
- else {
- /* step = step_move*/
- step = 0; // lại từ đầu
- }
- //kết thúc 1 động tác
- delay(100);
- } //while
- }
- void learn_and_move()
- {
- step_move = 0;
- while (digitalRead(start_pause_pin) != 0) {
- //b1: điều khiển servo bằng biến trở
- while (digitalRead(record_pin) != 0) {
- control_servo();
- if ((digitalRead(start_pause_pin) == 0) && (step_move == 0)) {
- // nếu chưa có cài đặt nào mà vô thẳng phần chạy thì hiểu : lấy cài đặt từ eeprom
- nap_eeprom_sang_ram();
- }
- if ((digitalRead(start_pause_pin) == 0) && (step_move != 0)) {
- goto buoc_3;
- }
- //delay(1);// bỏ delay luôn
- }
- // nút record đươcj nhấn, thoát lặp
- // b2: lưu vào mảng
- record(step_move);
- if (step_move < step_max) {
- step_move++; // tăng step cho bước sau
- }
- }
- // nút start_pause được nhấn, thoát lặp
- buoc_3:
- step_move--; //không có bước sau, giảm step_move xuống 1 đơn vị
- //b4:auto move
- auto_move();
- }
- void loop()
- {
- } // loop
GIẢI THÍCH CODE VÀ CÁCH DÙNG
Code được chia ra làm 2 phần rõ ràng:
- Thiết lập người dùng: Cài đặt pin kết nối, số bước để học.
- Main code: bạn không cần chỉnh sửa phần này (tối ưu chưa nào ^^).
Trong phần tính toán lấy giá trị của biến trở để quy đổi về góc:
map(A0_value, 200,823, 0, 180);
Như đã biết, giá trị trả về của hàm AnalogRead trong khoảng từ 0-1023 (tương ứng mức điện áp 0->5v). Tuy nhiên, để thực hiện ý tưởng điều khiển tuyến tính servo với góc từ 0->180 thì ta phải lấy khoảng giá trị sao cho góc lệch của servo phải tương ứng với góc lệch của biến trở.

SIZE_MEMORY_EEPROM: Kích thước eeprom trên arduino của bạn thui.
Main code

Các bạn chú ý
Việc sử dụng EEPROM luôn được cân nhắc với tuổi thọ của bộ nhớ EEPROM.
Do đó, nếu yên tâm với bộ nguồn ổn định (USB hoặc PIN) thì không nhất thiết phải lưu dữ liệu vào EEPROM, Về mặt bản chất, việc dùng EEPROM chỉ là sao chép dữ liệu trên bộ nhớ tạm thời (RAM).
Vì vậy, đối với các dự án cần thay thế nguồn (tạm nghỉ robot, robot đồ chơi, robot công nghiệp..) thì chỉ khi thấy ưng ý với code chạy thử, bạn mới cần đến lưu dữ liệu .
Mình cũng đã sử dụng thành công IC eeprom làm bộ nhớ ngoài cho dự án này.
Vì ic sử dụng giao tiếp I2C nên 2 chân analog A4 và A5 sẽ bị sử dụng để giao tiếp. Bạn không được dùng nó để đặt thêm biến trở.
Video tham khảo
(Sưu tầm)