-
-
-
Tổng tiền thanh toán:
-
Hướng dẫn xuất file Gerber vẽ mạch điện từ Orcad hoặc Proteus
18/07/2018
Hướng dẫn xuất file Gerber vẽ mạch điện từ Orcad hoặc Proteus
1. Xuất file từ Orcad
Xuất file orcad ra mấy file .TOP, .BOT để qua bên COPPERCAM xử lý.
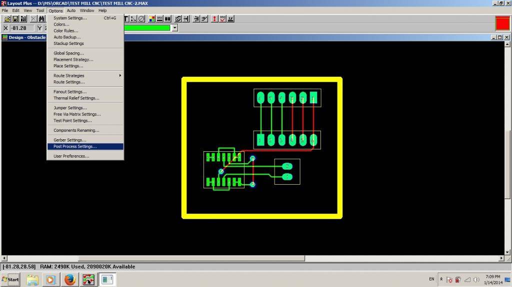
Sau khi vẽ xong bạn nhớ check cho hết lỗi, sau đó vào Options -> Post Process Settings... và nó sẽ hiện ra cửa sổ như ở bên dưới:

Nó sẽ hiện ra cửa sổ có các layer khác nhau, khi đó ta chỉ chọn các layer là *.TOP, *.BOT, *.DRD, ở phần Batch Enable thì các layer đó ta chọn là YES, nếu ở ô đó là NO thì chọn lớp đó nhấn Enter, tick vào Enable for Post Processing -> Ok. Sau đó nhấn chuột phải chọn Run Batch, chương trình sẽ tạo ra các file .TOP, .BOT, .DRD ở thư mục chứa file Layout đó.



Sau khi đã có 2 file này, mở COPPERCAM và Open các file đó, đầu tiên em mở file .TOP trước.
Ban đầu thì ta Setup dao và tốc độ máy.
+ Parameter -> Output data format: chọn tiêu chuẩn xuất Gcode, set tọa độ và tốc độ máy, scale....

+ Parameter -> Tool Library: khai báo kiểu dao để phay, cắt, setup các kích thước và giới hạn
Các bạn xem tiếp ở bài viết Hướng dẫn Gcode mạch in bằng CopperCam
Chúc các bạn thành công!