-
-
-
Tổng tiền thanh toán:
-
Mã sản phẩm: 1701410
Thương hiệu: Nhập khẩu Loại: Arduino – Module – Cảm biến
Khối lượng: 200
3. Thư viện: LiquidCrystal_I2C.h
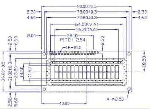
4. DataSheet: LCD 16x2.pdf

| Module màn hình LCD (16x2) | Arduino |
| GND | GND |
| Vcc | 5V |
| SDA | A4 |
| SCL | A5 |
Code test I2C:
//SDA = A4 SCL = A5
#include <Wire.h>
void setup()
{
Wire.begin();
Serial.begin(9600);
while (!Serial); // Leonardo: wait for serial monitor
Serial.println("\nI2C Scanner");
}
void loop()
{
byte error, address;
int nDevices;
Serial.println("Scanning...");
nDevices = 0;
for(address = 1; address < 127; address++ )
{
// The i2c_scanner uses the return value of
// the Write.endTransmisstion to see if
// a device did acknowledge to the address.
Wire.beginTransmission(address);
error = Wire.endTransmission();
if (error == 0)
{
Serial.print("I2C device found at address 0x");
if (address<16)
Serial.print("0");
Serial.print(address,HEX);
Serial.println(" !");
nDevices++;
}
else if (error==4)
{
Serial.print("Unknown error at address 0x");
if (address<16)
Serial.print("0");
Serial.println(address,HEX);
}
}
if (nDevices == 0)
Serial.println("No I2C devices found\n");
else
Serial.println("done\n");
delay(5000); // wait 5 seconds for n
}
Sau khi nạp xong, bạn mở monitor ra để xem
Code mẫu 1:
#include <Wire.h>
#include <LiquidCrystal_I2C.h>
LiquidCrystal_I2C lcd(0x27,16,2);
int nut = 11;
void setup()
{
lcd.init();
lcd.backlight();
pinMode(nut, INPUT);
lcd.begin(16,2);
lcd.setCursor(2,0); //Đưa con trỏ tới hàng 1, cột 0
lcd.print("HELLO");
delay(30);
}
void loop()
{
int nuttt = digitalRead(nut);
if (nuttt == HIGH) {
delay(50);
lcd.begin(16,2);
lcd.setCursor(0,0); //Đưa con trỏ tới hàng 1, cột 0
lcd.print("THONG BAO");
lcd.setCursor(0,1); //Đưa con trỏ tới hàng 1, cột 0
lcd.print("CO NGUOI VAO");
delay(100);
} else { // ngược lại
Serial.println("HELLO");
delay(300);
}
}
Code mẫu 2:
Một số trường hợp với thư viện mới bạn thay Code sau:
#include <Wire.h> // Comes with Arduino IDE
#include <LiquidCrystal_I2C.h>
LiquidCrystal_I2C lcd(0x27, 2, 1, 0, 4, 5, 6, 7, 3, POSITIVE); // Set the LCD I2C address
void setup(){
Serial.begin(9600);
lcd.begin(16,2);
lcd.backlight();
delay(250);
lcd.noBacklight();
delay(250);
lcd.backlight();
Lưu ý: Trong 1 số code mẫu bạn sẽ thấy trong void setup có cái dùng lcd.init(); có cái dùng lcd.begin();. Nên có nhiều trường hợp LCD sẽ không hiển thị. Nếu gặp lỗi này bạn chọn cú pháp lcd.begin(); và xóa lệnh lcd.init(); đi là xong.
void setup()
{
// lcd.init(); //Khởi tạo màn hình LCD
lcd.begin();
lcd.backlight(); //Bật đèn màn hình lCD
}
Liên hệ:
Website:https://giaiphapchung.vn
Đ/c: 18/655 Nguyễn Văn Linh-P.Vĩnh Niệm-Lê Chân-Hải Phòng
Email: giaiphapchung68@gmail.com
Hotline: 0936824969
Bước 1: Lựa chọn sản phẩm cần mua bấm Thêm vào giỏ hàng Bước 2: Sau khi chọn hết sản phẩm thì bấm biểu tượng Giỏ hàng để thanh toán Trong mục này bạn có thể thay đổi số lượng, chủng loại sản phẩm và chọn mua thêm sản phẩm khác. Bước 3: Lựa chọn Thanh toán Bạn vui lòng nhập thông tin: Email, Họ tên, Số điện thoại và các thông tin cần thiết khác. Để theo dõi được đơn hàng của mình bạn vào mục Đăng nhập hoặc Đăng ký tài khoản rất dễ dàng. Bước 4: Xem lại thông tin đặt hàng, điền chú thích và gửi đơn hàng Bước 5: Sau khi nhận được đơn hàng bạn liên hệ 0393451866 để chúng tôi gửi hàng sớm nhất. Bước 6: Web chúng tôi có công cụ Kiểm tra đơn hàng ngay bên trên tay phải. bạn nhập SĐT để kiểm tra tình trạng đơn hàng nhé Trân trọng cảm ơn.